Obj. č: 16345
147,38 Kč
121,80 Kč bez DPH
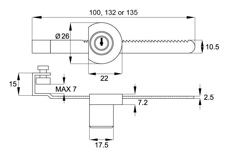
Zámek slouží k uzamykání dvou posuvných skleněných dveří bez nutnosti vrtání otvoru do skla.
Obsah balení
odnímatelný zámek, ozubené blokovací táhlo, 2ks klíče, šroub k uchycení
ATM zámek na posuvné sklo 750/100 Cr hřebínkový

