Obj. č: SA805072
181,38 Kč
149,90 Kč bez DPH
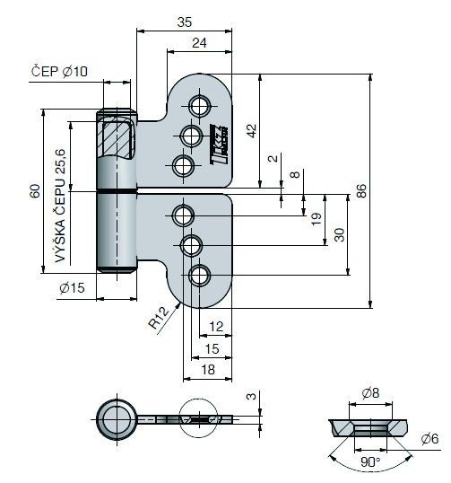
Závěs Merkur
Je určen především pro interiérové dveře bez polodrážky, ale i jiné bezpolodrážkové dveře a křídla podobného charakteru. (zahloubení otvorů je oboustranné).
Únosnost / ks (v kg) 20.00
Požární odolnost ne
Materiál (převažující) ocel
Typ závěsu Kompletní závěs
Typ dveří Interiérové
Orientace dveří (okna) Pro pravé i levé dveře (zárubeň)
Provedení dveří Bez polodrážky
Materiál dveřního křídla Dřevo
Typ zárubně Dřevo masiv
Uchycení závěsu K přišroubování
Výška čepu 25,6 mm
K přišroub.doporučujeme
Vruty o 4 mm minimální délky 40 mm
Závěs Merkur

