 
			
		Obj. č: 14.09.320
132,25 Kč
109,30 Kč bez DPH
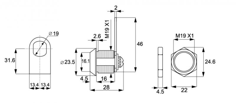
 Zámek slouží k uzamykání jednoho skleněného křídla dveří do korpusu. Nutno vrtat otvor do skla.
Obsah balení 
zámek, 2ks klíče, jazýček, převlečná matice, tlumící kroužek, protiplech s výřezem, přední krycí plech
Povrchová úprava: Chrom lesk
Typ klíče: Kov + plast
Opakovatelnost klíče: Různý klíč
SISO zámek na jednosklo SAFE vrtaný Cr
 
              
